Skip to content
2026-03-29 星期日
漢之民也
漢風唐韻,千年古道傳文明;民富國強,萬里江山展宏圖。
  • 首頁
  • 微處理機實習
  • 程式設計實習
  • 電子學實習
  • 電子學
  • 推甄實作
  • 學習歷程檔案
  • 首頁
  • 微處理機實習
  • 程式設計實習
  • 電子學實習
  • 電子學
  • 推甄實作
  • 學習歷程檔案

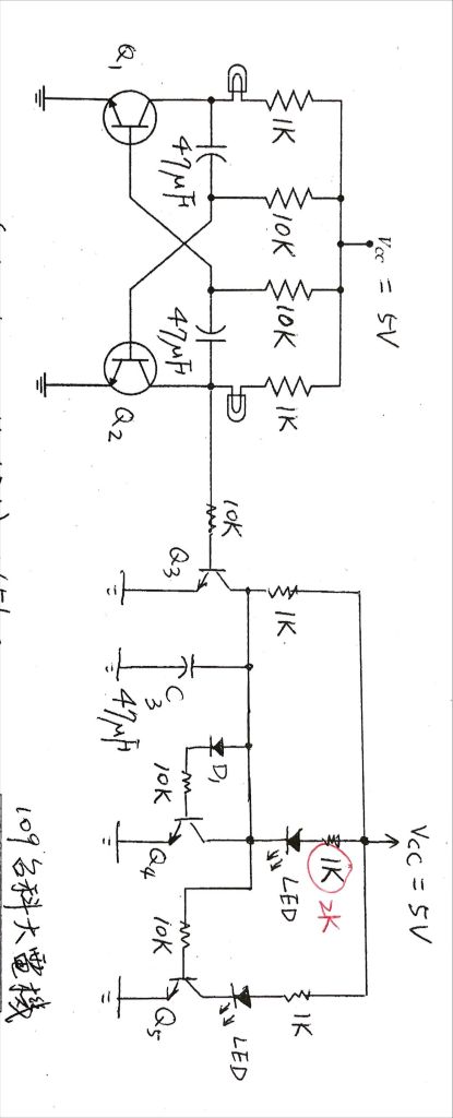
BJT無穩態振盪器應用-109台科大電機推甄實作

2025-02-122025-05-21
hanmin
BJT無穩態振盪器原理與實作

文章導覽

Previous: LM317簡易線性可調電源
Next: RC相移振盪器、韋恩電橋振盪器、石英晶體振盪器