Skip to content
2026-03-29 星期日
漢之民也
漢風唐韻,千年古道傳文明;民富國強,萬里江山展宏圖。
  • 首頁
  • 微處理機實習
  • 程式設計實習
  • 電子學實習
  • 電子學
  • 推甄實作
  • 學習歷程檔案
  • 114-2高二彈性課程選課&自主學習說明
  • 首頁
  • 微處理機實習
  • 程式設計實習
  • 電子學實習
  • 電子學
  • 推甄實作
  • 學習歷程檔案
  • 114-2高二彈性課程選課&自主學習說明

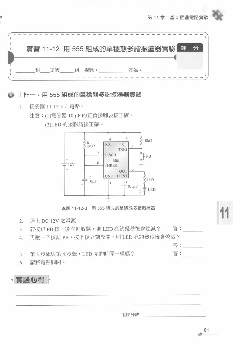
555單穩態振盪電路、台科大、高雄科大推甄實作試題

2026-01-072026-01-07
hanmin
控制115甲鐘定展
控制115甲梁宸嘉
111高雄科大電機系推甄實作試題-單穩態 114高雄科大電機系推甄實作試題-單穩態
控制115甲陳易
控制115甲鐘定展

文章導覽

Previous: 555 + 4017 北科大、臺科大推甄實作試題
Next: While迴圈練習