


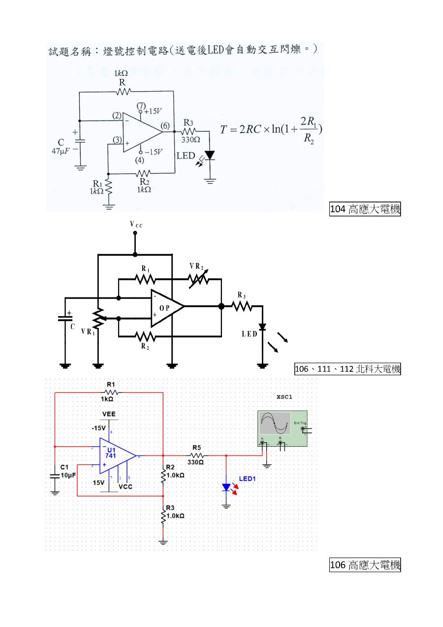
【作業練習】106、111、112臺北科大電機實作試題,VCC=15 V(注意:此OP Amp採用單電源),R1=10 kΩ,VR1=50 kΩ,VR2=100 kΩ,C=10 μF,R2=10 kΩ,R3=1 kΩ。
<解析>
1、震盪週期與頻率範圍:
T = t1 + t2 = 2 * R * C * ln [ (1+β) / (1-β) ],其中 R = R1 + VR2 , β 是正回授的分壓比例。
假設VR1調在中點位置時,其戴維寧等效電阻為 Rth = 25 kΩ // 25 kΩ = 12.5 kΩ
β = Rth / (R2 + Rth) = 12.5kΩ / (10kΩ + 12.5kΩ) ≒ 0.556
對數項 ln [ (1+β) / (1-β) ] = ln ( 1.556 / 0.444) = ln (3.5)
T = 2 * R * C * ln (3.5)
最高頻率 (當 VR2 = 0 Ω,R = R1 + VR2 = 10 kΩ)
T = 2 * 10k * 10u * ln (3.5) ≒ 0.25 秒
fmax ≒ 4 Hz
最低頻率 (當 VR2 = 100 kΩ,R = R1 + VR2 = 110 kΩ)
T = 2 * 110k * 10u * ln (3.5) ≒ 2.76 秒
fmin ≒ 0.36 Hz
2、轉折電壓:
當VR1調在中點位置時,V+ = VCC / 2 = 7.5 V,若不考慮非理想情況,假設Vo(sat) = VCC = 15V,
基準點電壓為 15 / 2 = 7.5 V
上轉折電壓 Vu = 7.5 + β (15 – 7.5) = 7.5 + 0.556 * 7.5 ≒ 11.67 V
下轉折電壓 Vl = 7.5 – β (7.5 – 0) = 7.5 – 0.556 * 7.5 ≒ 3.33 V
