原理說明:請參考電子學教材二極體整流、濾波電路。
整流電路
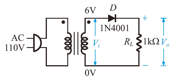
2-3 工作一:半波整流電路



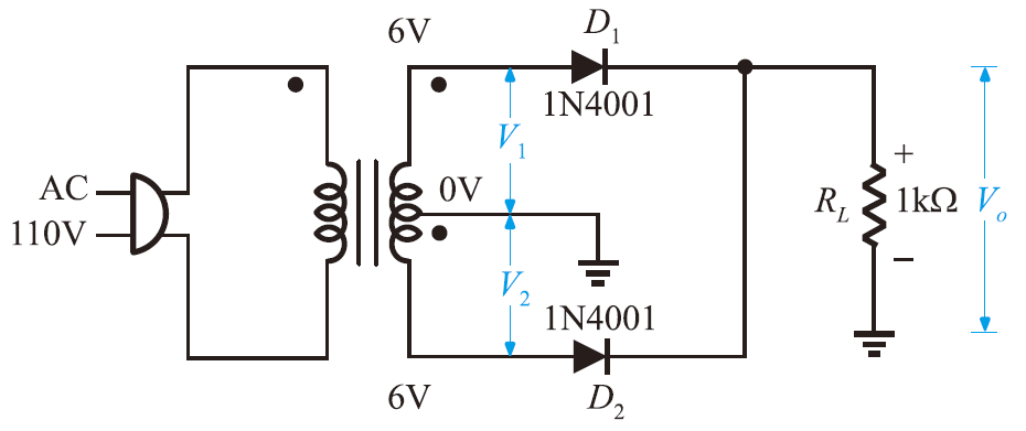
2-3 工作二:中心抽頭式全波整流電路



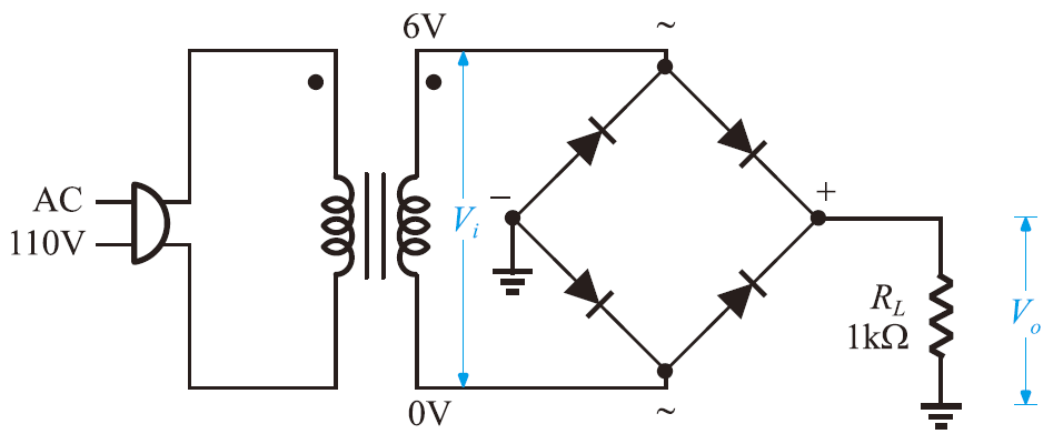
2-3 工作三:橋式全波整流電路




整流濾波電路
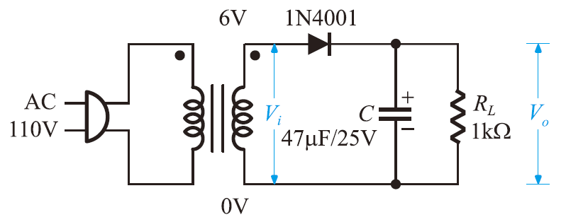
2-4 工作一:半波整流濾波電路






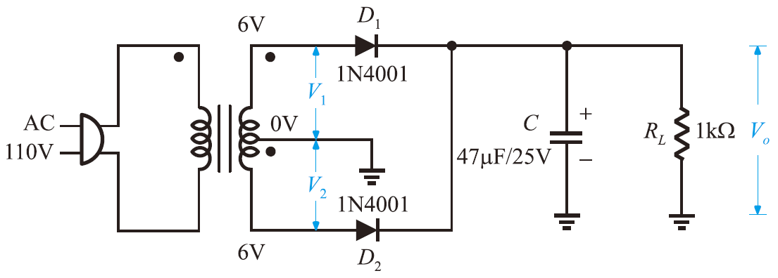
2-4 工作二:中心抽頭式全波整流濾波電路





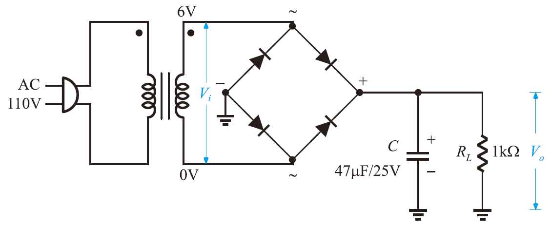
2-4 工作三:橋式全波整流濾電路


原理說明:請參考電子學教材二極體整流、濾波電路。
整流電路
2-3 工作一:半波整流電路



2-3 工作二:中心抽頭式全波整流電路



2-3 工作三:橋式全波整流電路




整流濾波電路
2-4 工作一:半波整流濾波電路






2-4 工作二:中心抽頭式全波整流濾波電路





2-4 工作三:橋式全波整流濾電路

